Is the Mega Sensor Shield v2.4 compatible with Arduino Due? or is there any other version of mega sensor shield that is compatible with Arduino Due?
JaneYu 2015-12-24 12:38:17 5 Views22 Replies Is the Mega Sensor Shield v2.4 compatible with Arduino Due? or is there any other version of mega sensor shield that is compatible with Arduino Due?
Hi, with arduino mega, the microSD slot works fine, but with arduino Due the microSD don´t work. Why?
JaneYu Did you connect other spi modules on due? Welcome to the forum to discuss the details with us: https://www.dfrobot.com/forum/
Hi.
I'm using MEGA Sensor Shield V2.4.
I have a question about the pin arrangement of the MEGA Sensor Shield V2.4 connector.
I think there are some differences from the circuit diagram.
For example, in the circuit diagram, JP1-1 (PC0) and J15-1 pin are connected.
If you check with a tester
JP1-1 (PC0) and J7-5 pin are connected.
The layout diagram I uploaded is V2.2. Did it change with V2.4?
Or is the schematic wrong?
Regards.
JaneYu Hi, you could browse the wiki. Each xbee slot has a corresponding pin port.
JaneYu Hi, thanks for your reply. I didn't make my question clear. I wish to know how do I connect the Dout and Din pins of xbee on the gravity shield to the digital pins (I am using software serial) on the gravity shield? There seems to be no slot for me to access the Dout and Din ports of xbee. I couldn't find it on wiki, could you please share the link?
Will this be in stock again soon? I have a large order of parts to place but the sensors are basically useless without this board so I am hesitant to order anything.
JaneYu It is the same as Arduino read and write an SD card, you can see the tutorial about how to do with SD card https://www.arduino.cc/en/T...
JaneYu Compatibility with Arduino/Freaduino Due
It is difficult and time-consuming to discover the features of 'MEGA SensorShield V2.4' in detail.
I bought it because it was advertised as 'MEGA / DUE'.
Now
I would like to use it with a 'Freaduino Due' to directly connect a 3.2" TFT display (3,3V) without a 'shield', which would consume more slots, to have them free for a extensive project .
Now please correct me if I have misunderstood something and be so kind to answer my questions. :
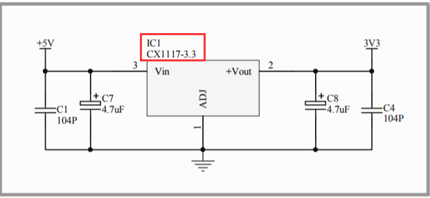
- 'MEGA SensorShield V2.4' has only one voltage regulator from 5 Volt to 3.3 Volt?
No further voltage regulator from 6-20V to 5V?
Where is an external voltage (6-20V) connected to, when the switch 'BD-6' is set to 'PWR' ?
- The Vcc Pins in the field for digital I/O have 5V, also then when a Due is under the 'MEGA SensorShield V2.4'
An 'Arduino / Freaduino Due' Rev. 3 gives to 'IORef' 3,3V.
'MEGA SensorShield V2.4' connects 'IORef' with 5V.
If an 'Arduino / Freaduino Due' Rev. 3 is used below, the 'IORef' pulls up to 5V, right?
Could not that be unhealthy for the Due?
Is this to be so correct and the better solution, in this way?
Would
it have been better to use 'IOREF' to detect whether the shield is on a
MEGA or Due and then be allocated in accordance with Vcc 3.3V or 5V?
Is there a Way to Cut off/interrupt the 5V connection to 'IORef' on 'MEGA SensorShield V2.4'?
- With Vcc is 5V have very many pins to get 5V an only 1 pinhole to get 3,3V? With a Arduino Due in usage it seems to me, that there should be several Pins with 5V and many Pins whre i could take 3,3V from, right?
Thank you very much if you answer!
With best regards
G.G.
JaneYu ok so interfacing with the micro sd card is it integrated or do i need to 'wired' it up or install a library?
Thank you so much for your reply. How many sensors can I attach to Io Expansion Shield for Arduino V7.1?
JaneYu IO Expansion shield for Arduino V7.1 is the pin expansion for all its digital pins and analog pins, depends on your sensor, 14 digital pins, 6 analog pins, 2 I2C pins and 1 TX/RX
I have a problem with the board, when I plug in a sensor to any analog port 6 to 15, the arduino powers down, but it works properly when the sensor is pluged in to analog ports 0 to 5. Is there anything I have to do to use the 3 pin sensor ports properly?
JaneYu Hi, it sounds very strange, would you like to share it on the forum? photos and your code. I just test it recently, the analog part is OK. Would it be a power issue?
With this shield, how can I use all 16 analog ports? it says "Analog pins 6 to 15" which gives me 10 analog pins of the available 16.
JaneYu HI, sorry, I can't speak Spanish, just English reply, the SD slot has been integrated on the shield, just plug the SD card directly, You can check the Schematic for the internal connection.
JaneYu Hello, can I add an Arduino WiFi 101 shield on top of this?
Thanks
JaneYu Yes, it is stackable on the shield
HI, I am afraid not, the shield operating voltage is 5V, It exists some risk.
JaneYu 

